Reinigungswerkzeug AMF-Cleaner Nr. 1500CC 16-teilig Weldon 16mm
E6443328
auf Anfrage
je 1 Stück
keine Verfügbarkeitsinformationen
Funktionen
Verkaufsdaten
| Mindestbestellmenge | 1 Stück |
| Bestellschritt | 1 Stück |
Beschreibung
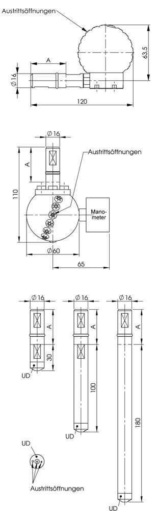
zur Aufnahme in die Maschinenspindel · passend für 16 mm Weldonaufnahmen · Spanntiefe (A-Maß) 40 mm · Anwendung:
BALL: Reinigungsbereich durch Anzahl der Austrittsöffnungen gestaltbar (bis 360°) · horizontaler Ball ermöglicht selbst die Reinigung der Spindelnase · vertikaler Ball überprüft zusätzlich den Zustand der Pumpe, des Filters und der gesamten Versorgungsleitung, beim Einsatz des Manometers
STICK: zur maschinellen Reinigung von Werkstücken und Spannvorrichtungen (Automation einer CNC-Maschine) · Reinigung durch gezieltes Anfahren der Positionen mit rotierendem Werkzeug · besonders geeignet für die Reinigung von Bohrungen, Taschen, Hinterschnitten oder sonstigen Konturen · 3 Universaldüsen zur Wahl des Reinigungsstrahls (Intensität) · Adaptionsstück dient zur Verlängerung zweier Cleaner (Sticks), dadurch sind tiefere Stellen erreichbar · das Kugelgelenk ermöglicht zusätzlich eine Schrägstellung der Düse, womit der Abstrahlwinkel beeinflusst werden kann
Merkmale:
BALL: Arbeitsbereich bis 360° · Druckbereich KSS 5 bis 120 bar · 15 Austrittsöffnungen (Ball horizontal) · 15 Austrittsöffnungen (Ball vertikal) · Minimaldrehzahl 5 min-¹ · Maximaldrehzahl 100 min-¹ · Arbeitsmedium Kühlschmierstoff
STICK: Druckbereich KSS 5 bis 120 bar · Druckbereich Druckluft 5 bis 10 bar · 3 Austrittsöffnungen · Minimaldrehzahl 30 min-¹ · Maximaldrehzahl 400 min-¹ · Arbeitsmedium Kühlschmierstoff, Druckluft
Vorteile:
wiederholbare, systematische und gründliche Reinigung des Maschineninnenraumes (BALL) bzw. des Werkstücks oder der Spannvorrichtung (STICK) · keine gesundheitsbedenkliche Aerosolbelastung für den Maschinenbediener · Reduktion der Reinigungszeit
Weitere technische Eigenschaften:
· Inhalt: 16-teilig
· Schaftausführung: Weldon Ø 16mm
Lieferumfang:
AMF-Cleaner Ball Horizontal, AMF-Cleaner Ball Vertical Control, AMF-Cleaner Stick 30 mm, AMF-Cleaner Stick 100 mm, AMF-Cleaner Stick 180 mm, 3 Universaldüsen, Manometer, Adaptionsstück, Kugelgelenk, 4 Ersatz Verschlussschrauben, Sechskantschraubendreher, Lieferung im Kunststoffkoffer
BALL: Reinigungsbereich durch Anzahl der Austrittsöffnungen gestaltbar (bis 360°) · horizontaler Ball ermöglicht selbst die Reinigung der Spindelnase · vertikaler Ball überprüft zusätzlich den Zustand der Pumpe, des Filters und der gesamten Versorgungsleitung, beim Einsatz des Manometers
STICK: zur maschinellen Reinigung von Werkstücken und Spannvorrichtungen (Automation einer CNC-Maschine) · Reinigung durch gezieltes Anfahren der Positionen mit rotierendem Werkzeug · besonders geeignet für die Reinigung von Bohrungen, Taschen, Hinterschnitten oder sonstigen Konturen · 3 Universaldüsen zur Wahl des Reinigungsstrahls (Intensität) · Adaptionsstück dient zur Verlängerung zweier Cleaner (Sticks), dadurch sind tiefere Stellen erreichbar · das Kugelgelenk ermöglicht zusätzlich eine Schrägstellung der Düse, womit der Abstrahlwinkel beeinflusst werden kann
Merkmale:
BALL: Arbeitsbereich bis 360° · Druckbereich KSS 5 bis 120 bar · 15 Austrittsöffnungen (Ball horizontal) · 15 Austrittsöffnungen (Ball vertikal) · Minimaldrehzahl 5 min-¹ · Maximaldrehzahl 100 min-¹ · Arbeitsmedium Kühlschmierstoff
STICK: Druckbereich KSS 5 bis 120 bar · Druckbereich Druckluft 5 bis 10 bar · 3 Austrittsöffnungen · Minimaldrehzahl 30 min-¹ · Maximaldrehzahl 400 min-¹ · Arbeitsmedium Kühlschmierstoff, Druckluft
Vorteile:
wiederholbare, systematische und gründliche Reinigung des Maschineninnenraumes (BALL) bzw. des Werkstücks oder der Spannvorrichtung (STICK) · keine gesundheitsbedenkliche Aerosolbelastung für den Maschinenbediener · Reduktion der Reinigungszeit
Weitere technische Eigenschaften:
· Inhalt: 16-teilig
· Schaftausführung: Weldon Ø 16mm
Lieferumfang:
AMF-Cleaner Ball Horizontal, AMF-Cleaner Ball Vertical Control, AMF-Cleaner Stick 30 mm, AMF-Cleaner Stick 100 mm, AMF-Cleaner Stick 180 mm, 3 Universaldüsen, Manometer, Adaptionsstück, Kugelgelenk, 4 Ersatz Verschlussschrauben, Sechskantschraubendreher, Lieferung im Kunststoffkoffer
Merkmale
| Marke | AMF |